Рисунки для срисовки и не только Папик.Про


рисунок сложного ступенчатого разреза для срисовки

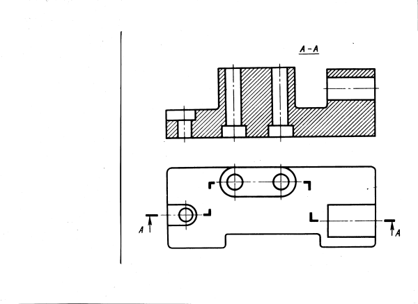
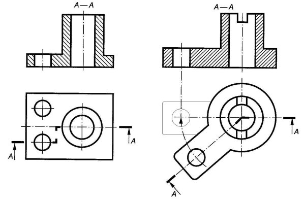
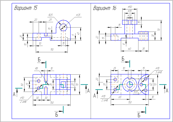
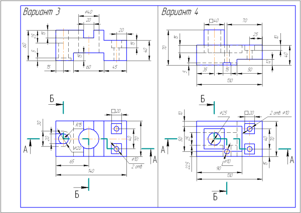
Рисунок сложного ступенчатого разреза представляет собой графическое изображение технического объекта, в котором показаны все его слои или уровни. Этот вид разреза используется для более детального и точного отображения внутренней структуры объекта, особенно если она состоит из множества элементов или имеет сложную конструкцию. В таком рисунке каждый слой обозначается горизонтальной линией, а подписи указывают на название, размеры и другие характеристики каждого слоя. С помощью сложного ступенчатого разреза можно легко визуализировать взаимосвязь различных элементов объекта и понять его устройство. Этот тип разреза широко используется в инженерии, архитектуре, проектировании и других отраслях, где требуется детальное изучение внутренней структуры объекта.


Ступенчатый разрез Инженерная Графика
Ступенчатый разрез Инженерная Графика

Ступенчатый разрез на чертеже
Ступенчатый разрез на чертеже


Сложный ступенчатый фронтальный разрез
Сложный ступенчатый фронтальный разрез

Проекционное черчение задания в автокаде
Проекционное черчение задания в автокаде

Сложный ступенчатый разрез Инженерная Графика
Сложный ступенчатый разрез Инженерная Графика

Инженерная Графика ступенчатый разрез колпак
Инженерная Графика ступенчатый разрез колпак

Сложный ступенчатый разрез на чертеже плита
Сложный ступенчатый разрез на чертеже плита

Ступенчатый разрез на чертеже
Ступенчатый разрез на чертеже

Ступенчатый разрез Инженерная Графика 7 вариант
Ступенчатый разрез Инженерная Графика 7 вариант


Как выполнить сложный ступенчатый разрез на чертеже
Как выполнить сложный ступенчатый разрез на чертеже

Сложный ступенчатый разрез на чертеже
Сложный ступенчатый разрез на чертеже

Ортогональные проекции разрезы сечения 9
Ортогональные проекции разрезы сечения 9

Чертеж ступенчатого разреза детали
Чертеж ступенчатого разреза детали

Фронтальный сложный ломано-ступенчатый разрез
Фронтальный сложный ломано-ступенчатый разрез

Вид спереди разрез ступенчатый разрез
Вид спереди разрез ступенчатый разрез

Сложный ступенчатый разрез Инженерная Графика корпус
Сложный ступенчатый разрез Инженерная Графика корпус

Фронтальный ступенчатый разрез на чертеже
Фронтальный ступенчатый разрез на чертеже

Черчение сложный ступенчатый разрез
Черчение сложный ступенчатый разрез

Сложный ступенчатый разрез
Сложный ступенчатый разрез

Сложный разрез корпус
Сложный разрез корпус

Сложный ломано-ступенчатый разрез
Сложный ломано-ступенчатый разрез

Ступенчатый разрез на чертеже
Ступенчатый разрез на чертеже

Ступенчатый разрез Инженерная Графика
Ступенчатый разрез Инженерная Графика

Фронтальный сложный ломано-ступенчатый разрез
Фронтальный сложный ломано-ступенчатый разрез

Фронтальный ступенчатый разрез на чертеже
Фронтальный ступенчатый разрез на чертеже

Ступенчатый разрез на чертеже задания
Ступенчатый разрез на чертеже задания

Разрезы и сечения 1.54.20
Разрезы и сечения 1.54.20

Сложные разрезы презентация
Сложные разрезы презентация

Выполнение сложного ступенчатого разреза
Выполнение сложного ступенчатого разреза

Варианты задания 2 построение ступенчатого разреза
Варианты задания 2 построение ступенчатого разреза

Ступенчатые и ломаные разрезы Инженерная Графика
Ступенчатые и ломаные разрезы Инженерная Графика

Сечение сложного ступенчатого разреза
Сечение сложного ступенчатого разреза

Сложные разрезы делятся на
Сложные разрезы делятся на

Ломаный разрез Инженерная Графика
Ломаный разрез Инженерная Графика

Ступенчатый разрез на чертеже
Ступенчатый разрез на чертеже

Горизонтальный сложный ступенчатый разрез
Горизонтальный сложный ступенчатый разрез

Сложный ступенчатый разрез Инженерная Графика корпус
Сложный ступенчатый разрез Инженерная Графика корпус

Сложные разрезы 11 вариант Инженерная Графика
Сложные разрезы 11 вариант Инженерная Графика

Сложный разрез
Сложный разрез

Выполнить сложный разрез Инженерная Графика
Выполнить сложный разрез Инженерная Графика

Фронтальный сложный ломано-ступенчатый разрез
Фронтальный сложный ломано-ступенчатый разрез

Чертеж ступенчатого разреза детали
Чертеж ступенчатого разреза детали

Фронтальный сложный ломано-ступенчатый разрез
Фронтальный сложный ломано-ступенчатый разрез

Сложный разрез
Сложный разрез

Ступенчатый и ломаный разрез
Ступенчатый и ломаный разрез

Сложный ступенчатый разрез на аксонометрии
Сложный ступенчатый разрез на аксонометрии

Смотрите онлайн или можете скачать на телефон или компьютер в хорошем качестве совешенно бесплатно. Не забывайте оставить комментарий и посмотреть другие фотографии и изображения высокого качества, например графический диктант без рисунка очень сложный и рисунки весны не сложные из раздела Сложные рисунки


Уважаемый посетитель, Вы зашли на сайт как незарегистрированный пользователь. Мы рекомендуем Вам зарегистрироваться либо зайти на сайт под своим именем.