рисунок 195 черчение для срисовки

Рис 195 черчение ботвинников стр 151 гдз
Черчение 9 класс ботвинников рис 195
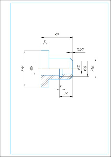
Соединение половины вида и половины разреза
Рисунок 195 черчение 9 класс
Рис 195 черчение
Черчение рисунок 195
Рис 195 черчение ботвинников стр 151 гдз

Половина вида в соединении с половиной разреза рис 195
Рис 195 черчение
Черчение по клеточкам
Черчение рисунок 195
Задания по черчению по клеткам
Рис 195 черчение ботвинников
Черчение рисунок 195
Соединение половины вида и половины разреза задания
Черчение 9 класс ботвинников рис 194
Черчение рисунок 195

Вычертить половину вида с половиной разреза
Эскиз это в черчении
Рис 195 черчение
Чертеж детали по клеточкам

Соединение половины вида и половины разреза задания

Пол вида пол разреза чертеж
Черчение ботвинников рис 194
Рис 195 черчение ботвинников

Чертежи по черчению 9 класс ботвинников Виноградов вышнепольский
Черчение 8 класс ботвинников гдз чертежи
Черчение по клеточкам
Рис 195 черчение ботвинников

Чертёж болтового соединения Инженерная
Уроки черчения с нуля
Задания по черчению сечения и разрезы
Рис 195 черчение

Соединение половины вида спереди с половиной фронтального разреза
Изображение разреза на чертеже
Рис 195 черчение
Чертеж вид сверху сбоку спереди
Чертеж детали с соединением половины вида и половины разреза
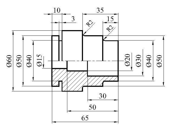
Ступенчатый разрез на чертеже
Чертеж детали призматической формы
Черчение ботвинников рис 185 профильный разрез
Черчение 9 класс ботвинников рис 194
Инженерная Графика 2.54.15
Ступенчатый разрез на чертеже
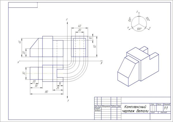
Построение третьего вида черчение 9 класс ботвинников
Построение 3 проекции по 2-заданным и аксонометрии
Аксонометрическая проекция рис. 98 а






Grizly.club