Рисунки для срисовки и не только Папик.Про


простой рисунок грм для срисовки

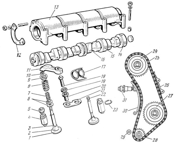
Простой рисунок грм - это изображение, которое показывает устройство и компоненты газораспределительного механизма внутреннего сгорания двигателя. Газораспределительный механизм отвечает за открытие и закрытие клапанов, что позволяет топливно-воздушной смеси попасть в цилиндры и выхлопных газов покинуть их после сгорания. Простой рисунок грм может быть полезным для автолюбителей, механиков или студентов, которые желают лучше понять работу двигателя и его составляющих. Он поможет визуализировать процесс и взаимодействие деталей, а также может использоваться для обучения или пояснения в различных сферах, связанных с автомобилями.


Клапанный механизм газораспределительного механизма
Клапанный механизм газораспределительного механизма

Регулировка теплового зазора
Регулировка теплового зазора

Распредвал схема газораспределительный механизм
Распредвал схема газораспределительный механизм

Газораспределительный механизм ДВС схема
Газораспределительный механизм ДВС схема

Механизм газораспределения принципиальная схема
Механизм газораспределения принципиальная схема

Распредвал схема газораспределительный механизм
Распредвал схема газораспределительный механизм

ГРМ 1zz Fe
ГРМ 1zz Fe

Цепной механизм привода ГРМ
Цепной механизм привода ГРМ

Устройство газораспределительного механизма Lada Vesta
Устройство газораспределительного механизма Lada Vesta

Схема клапанного механизма газораспределения
Схема клапанного механизма газораспределения

Устройство механизма газораспределения дизельного двигателя
Устройство механизма газораспределения дизельного двигателя

Механизм газораспределения двигателя Лифан х 60
Механизм газораспределения двигателя Лифан х 60

Устройство распределительного вала схема
Устройство распределительного вала схема

Принципиальная схема газораспределительного механизма
Принципиальная схема газораспределительного механизма

Газораспределительный механизм двигателя ВАЗ 2107
Газораспределительный механизм двигателя ВАЗ 2107

Схема газораспределения двигателя ВАЗ 2106
Схема газораспределения двигателя ВАЗ 2106

Привод распредвала 2106
Привод распредвала 2106

VVTI 1gr-Fe
VVTI 1gr-Fe

Устройство газораспределительного механизма двигателя ВАЗ 2107
Устройство газораспределительного механизма двигателя ВАЗ 2107

Газораспределительный механизм смд60
Газораспределительный механизм смд60

Ремень 2jz GTE схема
Ремень 2jz GTE схема

Механизм привода клапанов ВАЗ 2108
Механизм привода клапанов ВАЗ 2108

Привода распредвала ГРМ
Привода распредвала ГРМ

Привода распредвала ГРМ
Привода распредвала ГРМ

Газораспределительный механизм c цепным приводом схема
Газораспределительный механизм c цепным приводом схема

Ременный привод ГРМ схема
Ременный привод ГРМ схема

Схема ГРМ Шевроле Круз 1.6
Схема ГРМ Шевроле Круз 1.6

Десмодромный механизм газораспределения
Десмодромный механизм газораспределения

Устройство распределительного вала с клапанами
Устройство распределительного вала с клапанами

Десмодромный привод клапанов Ducati
Десмодромный привод клапанов Ducati

Десмодромный механизм газораспределения Ducati
Десмодромный механизм газораспределения Ducati

Схема привода распределительного вала ВАЗ 2114
Схема привода распределительного вала ВАЗ 2114

Механизм ГРМ ЗМЗ 402
Механизм ГРМ ЗМЗ 402

Шестеренчатый Тип привода ГРМ
Шестеренчатый Тип привода ГРМ

Схема цепного привода ГРМ ВАЗ-2107
Схема цепного привода ГРМ ВАЗ-2107

Значок ремень ГРМ
Значок ремень ГРМ

Привод механизма газораспределения детали
Привод механизма газораспределения детали

Клапаны схема двигателя ДВС
Клапаны схема двигателя ДВС

Двигатель ЗМЗ 402 привод ГРМ
Двигатель ЗМЗ 402 привод ГРМ

Цепь мотоцикла вектор
Цепь мотоцикла вектор

Десмодромный механизм газораспределения анимация
Десмодромный механизм газораспределения анимация

Цепь ГРМ Санг енг Кайрон 2.3 бензин
Цепь ГРМ Санг енг Кайрон 2.3 бензин

Привода распредвала ГРМ
Привода распредвала ГРМ

Метки ГРМ Опель Астра 1.4 турбо
Метки ГРМ Опель Астра 1.4 турбо

Метки ГРМ Хаммер н3 3.5
Метки ГРМ Хаммер н3 3.5

Метки ГРМ на Фольксваген гольф 4 1.6
Метки ГРМ на Фольксваген гольф 4 1.6

Простой рисунок грм (47 фото)
Простой рисунок грм (47 фото)

Смотрите онлайн или можете скачать на телефон или компьютер в хорошем качестве совешенно бесплатно. Не забывайте оставить комментарий и посмотреть другие фотографии и изображения высокого качества, например рисунок шаурмы простой и закат простой рисунок из раздела Простые рисунки


Уважаемый посетитель, Вы зашли на сайт как незарегистрированный пользователь. Мы рекомендуем Вам зарегистрироваться либо зайти на сайт под своим именем.