Рисунки для срисовки и не только Папик.Про


рисунок давления масла для срисовки

Рисунок давления масла - это графическое представление показателей давления масла в двигателе автомобиля. Этот рисунок позволяет визуально оценить состояние и работоспособность системы смазки двигателя, а также выявить возможные проблемы и неисправности. На рисунке отображаются значения давления масла в различных условиях работы двигателя, например, при холостом ходе, на холодном или нагретом двигателе, а также при разных оборотах. Анализируя этот рисунок, можно определить, соответствуют ли измерения давления масла нормам, установленным производителем автомобиля, и принять соответствующие меры для поддержания оптимальной работы двигателя.


Измерение давления масла д240
Измерение давления масла д240

Устройство ки 13936 ГОСНИТИ для определения давления масла
Устройство ки 13936 ГОСНИТИ для определения давления масла

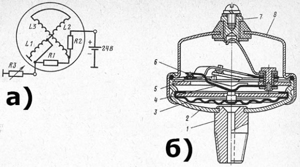
Устройство датчика аварийного давления масла ВАЗ
Устройство датчика аварийного давления масла ВАЗ

Значок давления масла
Значок давления масла

Схема включения датчика аварийного давления масла
Схема включения датчика аварийного давления масла

Датчик давления масла 3 контактный принцип работы
Датчик давления масла 3 контактный принцип работы

Электрическая схема емкостного датчика давления
Электрическая схема емкостного датчика давления

Схема датчика давления масла ВАЗ 2108
Схема датчика давления масла ВАЗ 2108

Схема измерительного датчика давления масла
Схема измерительного датчика давления масла

Мембранный датчик давления схема
Мембранный датчик давления схема

Форд 1.8 замер давления масла
Форд 1.8 замер давления масла

F4a42 гидравлическая схема
F4a42 гидравлическая схема

Датчик давления прозвонка мультиметром
Датчик давления прозвонка мультиметром

Датчик давления масла стрелочный КАМАЗ
Датчик давления масла стрелочный КАМАЗ

Датчик давления топлива схема включения
Датчик давления топлива схема включения

Датчик давления масла 3 контактный принцип работы
Датчик давления масла 3 контактный принцип работы

Схема манометра давление масла
Схема манометра давление масла

Устройство и принцип действия датчика давления воды
Устройство и принцип действия датчика давления воды

Схема включения датчика аварийного давления масла
Схема включения датчика аварийного давления масла

Схема подключения указателя давления масла КАМАЗ
Схема подключения указателя давления масла КАМАЗ

Редукционный клапан масляного насоса схема
Редукционный клапан масляного насоса схема

Указатель температуры охлаждающей жидкости 2106 схема
Указатель температуры охлаждающей жидкости 2106 схема

Схема подключения датчика указателя давления масла
Схема подключения датчика указателя давления масла

Устройство сигнализатора аварийного давления масла
Устройство сигнализатора аварийного давления масла

Датчик давления масла 3 контактный принцип работы
Датчик давления масла 3 контактный принцип работы

Эл.схема датчика давления ВАЗ 2106
Эл.схема датчика давления ВАЗ 2106

Датчик сигнализаторов аварийного давления мм10 схема
Датчик сигнализаторов аварийного давления мм10 схема

Датчик давления мембранный сопротивление
Датчик давления мембранный сопротивление

Датчик давления масла Хендай Матрикс 1.6
Датчик давления масла Хендай Матрикс 1.6

Схема указателя давления масла в автомобиле
Схема указателя давления масла в автомобиле

Схема подключения датчика указателя давления масла
Схема подключения датчика указателя давления масла

VW Golf 3 схема датчика давления масло
VW Golf 3 схема датчика давления масло

Значок масла на приборной панели
Значок масла на приборной панели

Схема подключения температурного датчика ВАЗ
Схема подключения температурного датчика ВАЗ

Датчик указателя давления масла состоит из
Датчик указателя давления масла состоит из

Редукционный клапан д 245
Редукционный клапан д 245

Схема масляного датчика ВАЗ 2106
Схема масляного датчика ВАЗ 2106

Мембранный датчик давления схема
Мембранный датчик давления схема

Схема масляной системы двигателя ВАЗ
Схема масляной системы двигателя ВАЗ

Клапан регулирующий давление масла в двигателе д-245
Клапан регулирующий давление масла в двигателе д-245

Схема работы датчика давления масла
Схема работы датчика давления масла

Форд Мондео 3 замерить давление-масла
Форд Мондео 3 замерить давление-масла

Схема подключения указателя давления масла УАЗ
Схема подключения указателя давления масла УАЗ

Давление в двигателе датчик на панели
Давление в двигателе датчик на панели

Схема подключения датчика указателя давления масла
Схема подключения датчика указателя давления масла

Лампа давления масла ВАЗ 2114
Лампа давления масла ВАЗ 2114

Датчик давления масла ВАЗ 2106 схема
Датчик давления масла ВАЗ 2106 схема

МТЗ 80 проверка уровня масла
МТЗ 80 проверка уровня масла

Смотрите онлайн или можете скачать на телефон или компьютер в хорошем качестве совешенно бесплатно. Не забывайте оставить комментарий и посмотреть другие фотографии и изображения высокого качества, например перенос рисунка на холст под масло и небольшие рисунки маслом из раздела Рисунки маслом


Уважаемый посетитель, Вы зашли на сайт как незарегистрированный пользователь. Мы рекомендуем Вам зарегистрироваться либо зайти на сайт под своим именем.