Рисунки для срисовки и не только Папик.Про


как нарисовать пружину для срисовки

Хотите научиться рисовать пружину? Вам понадобятся лист бумаги, карандаш и линейка. Начните с нарисованного вертикального отрезка - это будет основание вашей пружины. Затем, используя линейку, проведите горизонтальные линии через основание, чтобы создать спиральную форму. Постепенно увеличивайте расстояние между линиями, чтобы пружина стала шире. Когда вы дойдете до конца основания, закруглите его и соедините с началом, чтобы получить петлю. Не забудьте стереть лишние линии и придать вашей пружине объем, добавив тени и подсветки. С таким пошаговым руководством вы сможете нарисовать пружину легко и быстро!


Раскраска пружина
Раскраска пружина

Пружина сжатия и растяжения
Пружина сжатия и растяжения

Типы пружин сжатия крученная
Типы пружин сжатия крученная

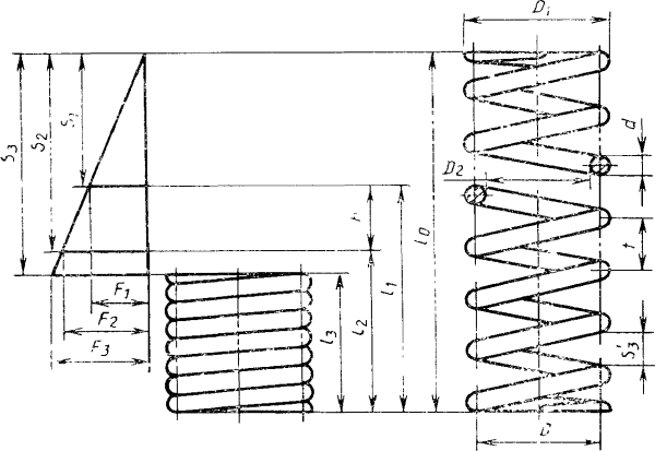
Параметры пружины l117
Параметры пружины l117

Чертёж пружины сжатия 4 витка
Чертёж пружины сжатия 4 витка

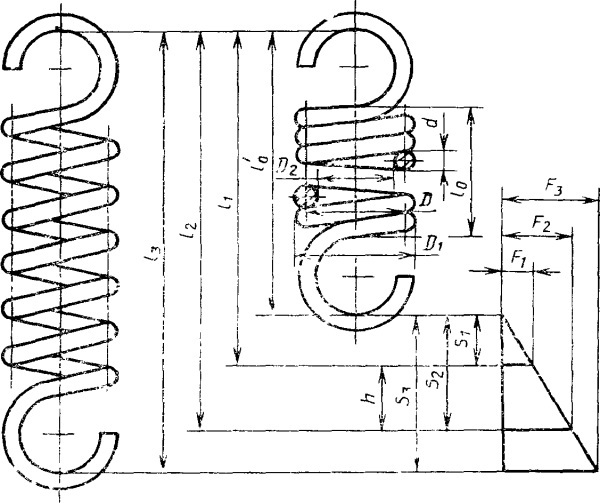
Пружины кручения схемы монтажа
Пружины кручения схемы монтажа

Пружина нарисованная
Пружина нарисованная

Упругость пружины физика
Упругость пружины физика

Прицепы пружин растяжения рис. 17.1
Прицепы пружин растяжения рис. 17.1

Спиральная пружина кручения чертеж
Спиральная пружина кручения чертеж

Чертеж цилиндрической пружины растяжения
Чертеж цилиндрической пружины растяжения

Пружина схема
Пружина схема

Пружины виды и классификация
Пружины виды и классификация

Пружина цилиндрическая сжатия кинематика
Пружина цилиндрическая сжатия кинематика

Разновидности пружин растяжения
Разновидности пружин растяжения

Пружина наружный диаметр 230мм
Пружина наружный диаметр 230мм

Изображение пружины на чертеже
Изображение пружины на чертеже

Параллельно Соединенные пружины жесткость
Параллельно Соединенные пружины жесткость

Сила упругости деформации пружины
Сила упругости деформации пружины

Спираль сбоку
Спираль сбоку

Чертеж спиральной пружины
Чертеж спиральной пружины

Классификация автомобильных пружин
Классификация автомобильных пружин

Пружины различной жесткости
Пружины различной жесткости

Пружина Миниблок
Пружина Миниблок

Изобрази витые пружины растяжения сжатия кручения
Изобрази витые пружины растяжения сжатия кручения

Пружина 4824400006 чертёж
Пружина 4824400006 чертёж

Пружина цилиндрическая чертеж
Пружина цилиндрическая чертеж

Типы законцовки пружин растяжения
Типы законцовки пружин растяжения

Изображение пружины на чертеже
Изображение пружины на чертеже

Чертеж пружины 8тп.284.066
Чертеж пружины 8тп.284.066

Пружина на белом фоне
Пружина на белом фоне

Сила упругости пружины физика
Сила упругости пружины физика

Чертеж пружины а26450
Чертеж пружины а26450

Пружина ГОСТ 18794-80
Пружина ГОСТ 18794-80

375-3003128 Пружина чертеж
375-3003128 Пружина чертеж

Пружины переменной жесткости
Пружины переменной жесткости

Пружина цилиндрическая сжатия кинематика
Пружина цилиндрическая сжатия кинематика

Пружина вид сверху чертеж
Пружина вид сверху чертеж

Торсионная пружина чертеж
Торсионная пружина чертеж

Колебания шарика на пружине
Колебания шарика на пружине

Пружинный маятник схема установки
Пружинный маятник схема установки

Деформация пружины
Деформация пружины

Пружина в штативе
Пружина в штативе

Шарик совершает колебания на пружине
Шарик совершает колебания на пружине

На рисунке изображен пружинный маятник
На рисунке изображен пружинный маятник

Пружина в разрезе чертеж
Пружина в разрезе чертеж

Растяжение пружины формула
Растяжение пружины формула

Пружина сжатия чертёж.стр.250.рис.7.39
Пружина сжатия чертёж.стр.250.рис.7.39

Горизонтальный пружинный маятник
Горизонтальный пружинный маятник

Условное изображение пружины
Условное изображение пружины

Груз изображенного на рисунке пружинного маятника
Груз изображенного на рисунке пружинного маятника

Векторная пружина
Векторная пружина

Параллельное соединение пружин
Параллельное соединение пружин

Кинематическая схема пружины сжатия
Кинематическая схема пружины сжатия

Чертеж конической пружины сжатия
Чертеж конической пружины сжатия

Деформация сжатия пружины
Деформация сжатия пружины

На пружине жесткостью 40 н/м
На пружине жесткостью 40 н/м

Пружина сжатия 30х16
Пружина сжатия 30х16

Пружина пластинчатая чертеж
Пружина пластинчатая чертеж

Рисунок пружины в Ворде
Рисунок пружины в Ворде

Диаграмма пружины сжатия
Диаграмма пружины сжатия

Сила упругости пружины рисунок
Сила упругости пружины рисунок

Сила упругости при растяжении пружины
Сила упругости при растяжении пружины

Пружинный маятник схема
Пружинный маятник схема

Сила упругости деформации пружины
Сила упругости деформации пружины

Пружины красной жесткости
Пружины красной жесткости

Смотрите онлайн или можете скачать на телефон или компьютер в хорошем качестве совешенно бесплатно. Не забывайте оставить комментарий и посмотреть другие фотографии и изображения высокого качества, например как нарисовать малинку и как нарисовать светильник из раздела Как нарисовать


Уважаемый посетитель, Вы зашли на сайт как незарегистрированный пользователь. Мы рекомендуем Вам зарегистрироваться либо зайти на сайт под своим именем.