Рисунки для срисовки и не только Папик.Про


рисунок арматура для срисовки

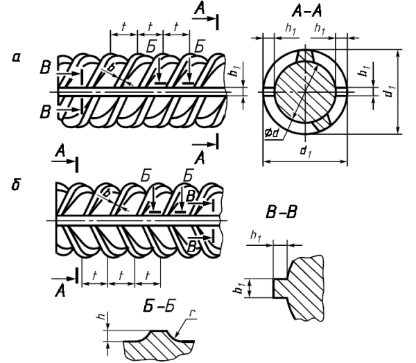
Рисунок арматура - это графическое изображение или схема, которая является иллюстрацией к теме о арматуре. Арматура в строительстве используется для укрепления бетонных конструкций и повышения их прочности. Рисунок арматуры может содержать информацию о различных типах и размерах арматурных стержней, их расположении и способе связывания. Такой рисунок не только помогает строителям понять и правильно выполнить работу, но и является важным инструментом для проектировщиков и инженеров при разработке документации и контроле качества строительства. Он позволяет лучше представить себе будущую конструкцию и ее взаимодействие с окружающей средой. Важно, чтобы рисунок был четким, точным и информативным, чтобы все участники проектного процесса могли легко его интерпретировать.


Арматура периодического профиля а400
Арматура периодического профиля а400

Профиль стержня арматуры а400
Профиль стержня арматуры а400

Арматура периодического профиля а600
Арматура периодического профиля а600

. Горячекатаная арматура периодического профиля, классов а600
. Горячекатаная арматура периодического профиля, классов а600

А400 арматура чертеж
А400 арматура чертеж

А400 арматура чертеж
А400 арматура чертеж

А400 арматура чертеж
А400 арматура чертеж

Арматура периодического профиля а500се
Арматура периодического профиля а500се

Арматура периодического профиля а500с
Арматура периодического профиля а500с

Схемы армирования композитной арматурой
Схемы армирования композитной арматурой

Обозначение профиля арматуры
Обозначение профиля арматуры

Арматура периодического профиля а500с
Арматура периодического профиля а500с

Чертеж арматуры периодического профиля
Чертеж арматуры периодического профиля

Арматура a-III или а400
Арматура a-III или а400

Профиль стержня арматуры а400
Профиль стержня арматуры а400

Арматура а240 периодического профиля
Арматура а240 периодического профиля

Арматура вектор
Арматура вектор

Классификация арматуры периодического профиля
Классификация арматуры периодического профиля

Профиль стержня арматуры а400
Профиль стержня арматуры а400

Профиль стержня арматуры а400
Профиль стержня арматуры а400

Арматура а3 500с расшифровка
Арматура а3 500с расшифровка

Класс горячекатаной арматуры периодического профиля
Класс горячекатаной арматуры периодического профиля

Арматура нарисованная
Арматура нарисованная

Арматура а400 и а500 рисунок
Арматура а400 и а500 рисунок

Арматура рисунок
Арматура рисунок

Профиль стержня арматуры а400
Профиль стержня арматуры а400

Арматура а500 чертеж
Арматура а500 чертеж

А400 арматура чертеж
А400 арматура чертеж

Арматура периодического профиля а500с
Арматура периодического профиля а500с

Диаметр оправки арматуры а500с
Диаметр оправки арматуры а500с

Запорная арматура
Запорная арматура

Стержневая арматура виды
Стержневая арматура виды

Чертежи стальная арматура а500с
Чертежи стальная арматура а500с

Арматура периодического профиля
Арматура периодического профиля

Арматура a-III или а400
Арматура a-III или а400

Узел врезки ду100 в ду300
Узел врезки ду100 в ду300

Арматура периодического профиля а500с
Арматура периодического профиля а500с

Арматура а240 периодического профиля
Арматура а240 периодического профиля

Арматура 12 чертеж
Арматура 12 чертеж

Задвижка ЛАЗ 30ч939р
Задвижка ЛАЗ 30ч939р

Арматура а240 периодического профиля
Арматура а240 периодического профиля

Задвижка клиновая dn80
Задвижка клиновая dn80

Стержневые арматуры чертежи
Стержневые арматуры чертежи

Классификация стальной арматуры
Классификация стальной арматуры

Арматура периодического профиля а500с
Арматура периодического профиля а500с

Чертежи арматурных сеток и каркасов
Чертежи арматурных сеток и каркасов

6мм 16 а500 арматура чертеж
6мм 16 а500 арматура чертеж

А400 арматура чертеж
А400 арматура чертеж

Смотрите онлайн или можете скачать на телефон или компьютер в хорошем качестве совешенно бесплатно. Не забывайте оставить комментарий и посмотреть другие фотографии и изображения высокого качества, например рисунок энергия знаний и анатомия клетка рисунок из раздела Рисунки


Уважаемый посетитель, Вы зашли на сайт как незарегистрированный пользователь. Мы рекомендуем Вам зарегистрироваться либо зайти на сайт под своим именем.