Рисунки для срисовки и не только Папик.Про


рисунок колесной пары для срисовки

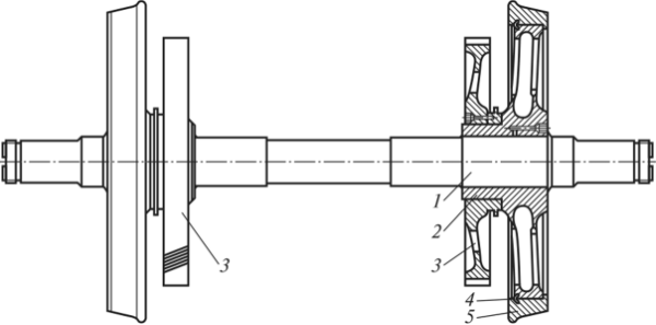
Рисунок колесной пары представляет собой детальное изображение двух соединенных колес, которые работают вместе для передачи энергии и обеспечения движения. Колесная пара является основной составной частью механизма, таких как автомобили, поезда, локомотивы и промышленные машины. На рисунке отчетливо видно зубчатые профили колес, их соединение через зубчатую передачу, а также оси, на которых они вращаются. Благодаря колесной паре возможно передвижение механизма вперед или назад, создание тягового усилия и обеспечение плавности передачи мощности. Рисунок колесной пары помогает лучше понять ее конструкцию и функции, что важно при разработке и моделировании механических систем.


Колесная пара электровоза вл 85
Колесная пара электровоза вл 85

Колесные пары тэм2
Колесные пары тэм2

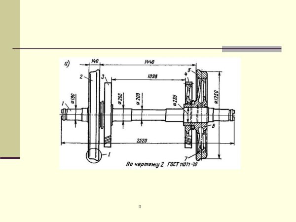
Колесная пара ру1ш-950 чертеж
Колесная пара ру1ш-950 чертеж

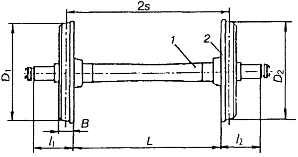
Колёсная пара вагона схема
Колёсная пара вагона схема

Колесная пара ру1ш-950 чертеж
Колесная пара ру1ш-950 чертеж

Колесная пара электровоза вл10 чертеж
Колесная пара электровоза вл10 чертеж

Колёсная пара вагона схема
Колёсная пара вагона схема

Колесная пара электровоза вл10 чертеж
Колесная пара электровоза вл10 чертеж

Колесная пара 6.35.12.010
Колесная пара 6.35.12.010

Схема колесной пары пассажирского вагона
Схема колесной пары пассажирского вагона

Колесная пара ру1ш-957-г чертеж
Колесная пара ру1ш-957-г чертеж

Из чего состоит ось колесной пары грузового вагона
Из чего состоит ось колесной пары грузового вагона

Конструкция оси колесной пары вагона
Конструкция оси колесной пары вагона

Колесная пара ру1ш-950 чертеж
Колесная пара ру1ш-950 чертеж

Колесная пара ру1ш-950 чертеж
Колесная пара ру1ш-950 чертеж

Колесная пара электровоза вл80с чертеж
Колесная пара электровоза вл80с чертеж

Колесная пара электровоза вл10
Колесная пара электровоза вл10

Колесная пара вл80с устройство
Колесная пара вл80с устройство

Гребень колесной пары вагона
Гребень колесной пары вагона

Ось колёсной пары вл80с
Ось колёсной пары вл80с

Колесная пара электровоза вл10
Колесная пара электровоза вл10

Колесная пара электровоза вл-22
Колесная пара электровоза вл-22

Колесная пара ру1ш-950 чертеж
Колесная пара ру1ш-950 чертеж

Схема колесная пара грузового вагона
Схема колесная пара грузового вагона

Ось колёсной пары вл80с
Ось колёсной пары вл80с

Колесная пара ру1ш-950 чертеж
Колесная пара ру1ш-950 чертеж

Колесная пара электровоза вл-22
Колесная пара электровоза вл-22

Колесная пара электровоза вл80с вес
Колесная пара электровоза вл80с вес

Колёсная пара тепловоза 2тэ116
Колёсная пара тепловоза 2тэ116

Колесная пара вл10 чертеж
Колесная пара вл10 чертеж

Ось колесной пары электровоза вл80
Ось колесной пары электровоза вл80

Чертеж колесной пары грузового вагона
Чертеж колесной пары грузового вагона

Колёсная папа тепловоза 2тэ10м
Колёсная папа тепловоза 2тэ10м

Колесная пара чертеж 5.35.10.002
Колесная пара чертеж 5.35.10.002

Чертеж колесной базы грузового вагона
Чертеж колесной базы грузового вагона

Колесная пара электровоза вл80с
Колесная пара электровоза вл80с

Колёсная пара клеймо номер колесной пары
Колёсная пара клеймо номер колесной пары

Чертеж колесной базы грузового вагона
Чертеж колесной базы грузового вагона

Колесная пара ру1ш-950 характеристики
Колесная пара ру1ш-950 характеристики

Колёсная папа тепловоза 2тэ10м
Колёсная папа тепловоза 2тэ10м

Сдвиг ступицы колеса вагона
Сдвиг ступицы колеса вагона

Ползун на колесной паре вагона 2,2 мм
Ползун на колесной паре вагона 2,2 мм

Колесные пары электровоза вл80с
Колесные пары электровоза вл80с

Строение колеса поезда реборда
Строение колеса поезда реборда

Колесная пара 2тэ116.30.55.011
Колесная пара 2тэ116.30.55.011

Колесная пара ру1ш чертеж
Колесная пара ру1ш чертеж

Смотрите онлайн или можете скачать на телефон или компьютер в хорошем качестве совешенно бесплатно. Не забывайте оставить комментарий и посмотреть другие фотографии и изображения высокого качества, например русский военный рисунок и известняк рисунок из раздела Рисунки


Уважаемый посетитель, Вы зашли на сайт как незарегистрированный пользователь. Мы рекомендуем Вам зарегистрироваться либо зайти на сайт под своим именем.