Рисунки для срисовки и не только Папик.Про


плакат делитель камаз

Плакат делитель для автомобилей КамАЗ - это удобное и функциональное решение для транспортировки грузов на большие расстояния. Он представляет собой специальное оборудование, которое позволяет разделить кузов автомобиля на несколько отсеков, что позволяет эффективно организовать перевозку различных видов грузов одновременно без их перемешивания или повреждения. Плакат делитель для КамАЗ имеет прочную конструкцию и легко монтируется на автомобиль, обеспечивая надежную фиксацию грузов и защиту от их перемещения во время движения. Благодаря своей универсальности и высокому качеству, плакат делитель для КамАЗ является незаменимым помощником в организации грузоперевозок.


Коробка передач КАМАЗ 5350
Коробка передач КАМАЗ 5350

Схема подключения делителя КАМАЗ КПП 154
Схема подключения делителя КАМАЗ КПП 154

Система подкачки колес Урал 4320
Система подкачки колес Урал 4320

Переключатель делителя КАМАЗ 5320 схема
Переключатель делителя КАМАЗ 5320 схема

Делитель КАМАЗ 5320 схема
Делитель КАМАЗ 5320 схема

Коробка передач КАМАЗ 5320 С делителем схема
Коробка передач КАМАЗ 5320 С делителем схема

Схема КПП КАМАЗ 5320 С делителем
Схема КПП КАМАЗ 5320 С делителем

Коробки передач автомобиля КАМАЗ 4310
Коробки передач автомобиля КАМАЗ 4310

Схема подключения делителя КАМАЗ евро 2
Схема подключения делителя КАМАЗ евро 2

Схема воздуха делителя КАМАЗ 5320
Схема воздуха делителя КАМАЗ 5320

КПП автомобиля КАМАЗ 5320
КПП автомобиля КАМАЗ 5320

КПП КАМАЗ 740
КПП КАМАЗ 740

Коробка передач КАМАЗ 5320
Коробка передач КАМАЗ 5320

Переключатель делителя КАМАЗ 5320 на коробке
Переключатель делителя КАМАЗ 5320 на коробке

КПП КАМАЗ 5320 С делителем схема переключения передач
КПП КАМАЗ 5320 С делителем схема переключения передач

Система сцепления КАМАЗ 43118
Система сцепления КАМАЗ 43118

Коробка передач КАМАЗ 5320 переключение
Коробка передач КАМАЗ 5320 переключение

Коробка передач КАМАЗ 5320 С делителем схема
Коробка передач КАМАЗ 5320 С делителем схема

КАМАЗ кулиса КПП 152 С делителем схема
КАМАЗ кулиса КПП 152 С делителем схема

Коробка передач КАМАЗ 5320 переключение
Коробка передач КАМАЗ 5320 переключение

Схема подключения делителя КАМАЗ 5320
Схема подключения делителя КАМАЗ 5320

КПП КАМАЗ 5320 С делителем
КПП КАМАЗ 5320 С делителем

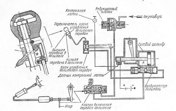
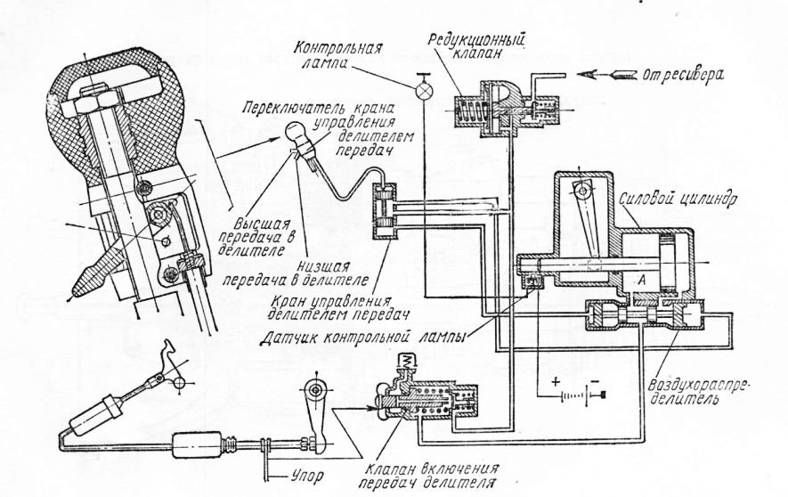
Механизм управления переключения делителя КАМАЗ 5320
Механизм управления переключения делителя КАМАЗ 5320

Коробки передач автомобиля КАМАЗ 4310
Коробки передач автомобиля КАМАЗ 4310

КПП-154 КАМАЗ С делителем схема
КПП-154 КАМАЗ С делителем схема

Передачи КПП Урал 4320
Передачи КПП Урал 4320

Коробка передач КАМАЗ 5320
Коробка передач КАМАЗ 5320

Пневматический привод переключения передач в делителе КАМАЗ 5320
Пневматический привод переключения передач в делителе КАМАЗ 5320

Коробка передач КАМАЗ 6350
Коробка передач КАМАЗ 6350

Схема переключения делителя КАМАЗ евро 2
Схема переключения делителя КАМАЗ евро 2

Плакаты по устройству и техническому обслуживанию ЗИЛ 131
Плакаты по устройству и техническому обслуживанию ЗИЛ 131

Механизм управления переключения делителя КАМАЗ 5320
Механизм управления переключения делителя КАМАЗ 5320

Механизм управления переключения делителя КАМАЗ 5320
Механизм управления переключения делителя КАМАЗ 5320

Схема переключения передач КАМАЗ 5320 С делителем
Схема переключения передач КАМАЗ 5320 С делителем

Техническое обслуживание то2 для КАМАЗ 5350
Техническое обслуживание то2 для КАМАЗ 5350

Коробка передач КАМАЗ 55102
Коробка передач КАМАЗ 55102

Гидропривод сцепления КАМАЗ 5320
Гидропривод сцепления КАМАЗ 5320

Переключатель повышенной пониженной КАМАЗ 5320
Переключатель повышенной пониженной КАМАЗ 5320

Устройство КПП КАМАЗ 5320 С делителем схема
Устройство КПП КАМАЗ 5320 С делителем схема

Привод сцепления КАМАЗ 4310
Привод сцепления КАМАЗ 4310

КПП КАМАЗ 152 В разрезе
КПП КАМАЗ 152 В разрезе

Смотрите онлайн или можете скачать на телефон или компьютер в хорошем качестве совешенно бесплатно. Не забывайте оставить комментарий и посмотреть другие фотографии и изображения высокого качества, например плакаты гоблинкор и плакат манга из раздела Плакаты


Уважаемый посетитель, Вы зашли на сайт как незарегистрированный пользователь. Мы рекомендуем Вам зарегистрироваться либо зайти на сайт под своим именем.
Ваше имя: *
Ваш e-mail: *
  • Смайлы и люди
    Животные и природа
    Еда и напитки
    Активность
    Путешествия и места
    Предметы
    Символы
    Флаги
Код: Кликните на изображение чтобы обновить код, если он неразборчив
Введите код: